
產品類型:起動類
瀏覽次數:次
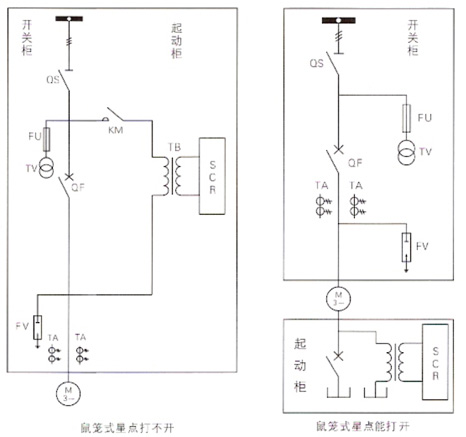
產品簡介:MMRS系列高壓磁控電抗軟起動柜(以下簡稱MMRS軟起動柜)系列產品是采用磁飽和電抗器研發的固態軟起動柜,適用于大中型鼠籠式異步電動機或同步電動機的起動。
關于產品購買、技術維護等服務,歡迎致電!電話:0710-2572368
傳真:0710-2760018
QQ:2427967001
電話:18271228725@139.COM

| 額定電壓 | 6kV,10kV(其它電壓等級可定制) |
| 額定功率 | 100-10000kW |
| 限流設置范圍 | 1.5Ie-4.5Ie |
| 控制電源 | AC220V(其它電壓等級可定制) |
| 連續起動次數 | 1-3次/小時 |
| 起動時間 | 5-100秒 |
| 防護等級 | IP20 |


